首页>产品>防冻阀
黄铜阀体
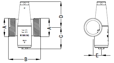
接口尺寸:1''
适用介质:水
最大工作压力 0.6MPa
工作温度范围: 0~95°C
环境温度范围:-30~65°C
排水时水温:3°C
停止排水时水温:4°C
测温精度:±1°C
过水流量系数Cv:25
排水流量系数Cv:0.3
外形尺寸


工作原理
LF15-35-JQ 紧凑型防冻组件,可精确感知系统水温,在温度接近冰点时,不用电力驱动和人为干预适时滴水防冻。
应用
在热泵水系统防冻中,防冻阀可以自我判断系统运行状态,当系统意外停机,停电时适时开启防冻模式。 当防冻阀感应到温度下降至3°C时,阀门将排水以防止系统冻结。当水温上升至4°C时,阀门将自动关闭。
防冻阀的安装
1) 建议在热泵室外换热器的两根管路(进水和回水)上均安装防冻阀(如图E所示)。

2) 防冻阀排水口应竖直向下安装,防冻阀应安装在所在管路的最低端,防止管路形成U形弯(如图D所示)。

3) 防冻阀应安装在室外,感知系统最低温度的位置,避免安装在热源附近,以防防冻阀无法正常工作。
4) 为使防冻阀正常工作,不能在防冻阀外部使用保温棉
5) 不能在防冻阀后连接排水管,以防管路冻堵,防冻失败。
至少离地面15厘米(图 A),以防止可能形成的冰凌阻碍水从防冻阀中排出。

如果防冻阀朝向相同,需保持防冻阀之间至少10 厘米的间距(图B)。

如安装空间有限,防冻阀可以面对面安装,此时排水口彼此偏心(见图C)。

防冻阀的维护
打开进气阀盖,可以更换里面的浮子与密封垫。
