Home>Application>Water Heater

* Brass body and thermal element
* Narrow temperature band
* Compact, low mass - Fast response
* Sensitive to temperature only
* Solar water heating systems
* Cooling water control-Radiator
* Cooling water control-Heat Exchanger
* Hydraulic fluid cooling systems
* Direct cooling with raw water
* Lube oil cooling control
* Constant temperature baths, wash basins & sinks
* Loop-type circulation systems
* Direct injection water heating
* Hot water washdown stations
* Make-up water
* Electric system cooling
* Air conditioning
* Water conservation
Operation
Winning M/D temperature control valve is designed for 3-way mixing or diverting applications.
For mixing applicatoins, the M/D valve will proportion the flow from two inlet ports to produce the desired outlet prot temperature.
For diverting applications, the M/D valve will divert or switch the inlet flow to either of two outlet ports depending on the fluid temperature.
Application Cases
Plumbing Diagrams

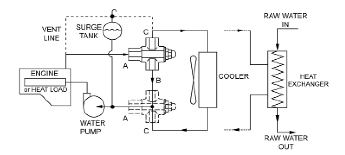
Cooling Water Control Using Radiator Or Heat Exchanger

Preheated Water Control With Tankless Heater

When temperature of preheated water from solar tank is higher than 45 deg, the hot water port fully opened while the cold water port fully closed in the diverting valve. The hot water from diverter valve goes into mixing valve together with cold water to form the desired temperature water for using point.
When temperature of preheated water from solar tank is lower than 45 deg, the hot water port fully closed while the cold water port fully opened in the diverting valve. The cold water from diverter valve goes boiler to be heated, then goes into mixing valve together with cold water to form the desired temperature water for using point.
Western Yard, Yard No. 18, Babeicun, Taiyanggong, | Tel:86-10-8404-4009 | Website:www.valcoo.com
Contact usBeijing Winning Thermo Control Equipment Co., Ltd
亿网中国 网站建设